
Profilreihe 6
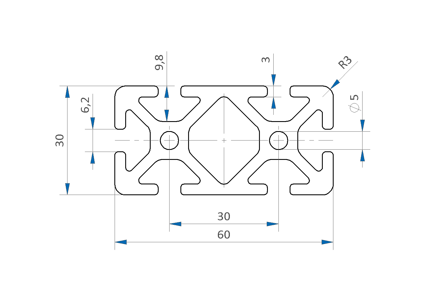
Profil 6 60x30 schwer
0106P6030S
einbaubeschreibung
Das Profil 6 60x30 schwer ist ein vielseitiges Konstruktionsprofil aus hochwertig eloxiertem Aluminium.
EN AW 6063 T 66
Eloxal E6Ev1 10-15μm silber
Toleranzen En 12020-2
Nutmaß: 6,2 + 0,3 mm
Kernbohrung: 5,0 +/- 0,2 m
Nutzlänge: 6000/6030 -0+10 mm
Gewicht: 2,204 kg
Material: AlMgSi 0,5 F25 natur eloxiert
24,18 €
exkl. Ust
Preis pro Lfm