
Profilreihe 8
Profil 8 80x40 eco
0108P8040E
einbaubeschreibung
Das Profil 8 80x40 eco ist ein vielseitiges Konstruktionsprofil aus hochwertig eloxiertem Aluminium.
EN AW 6063 T 66
Eloxal E6Ev1 10-15μm silber
Toleranzen En 12020-2
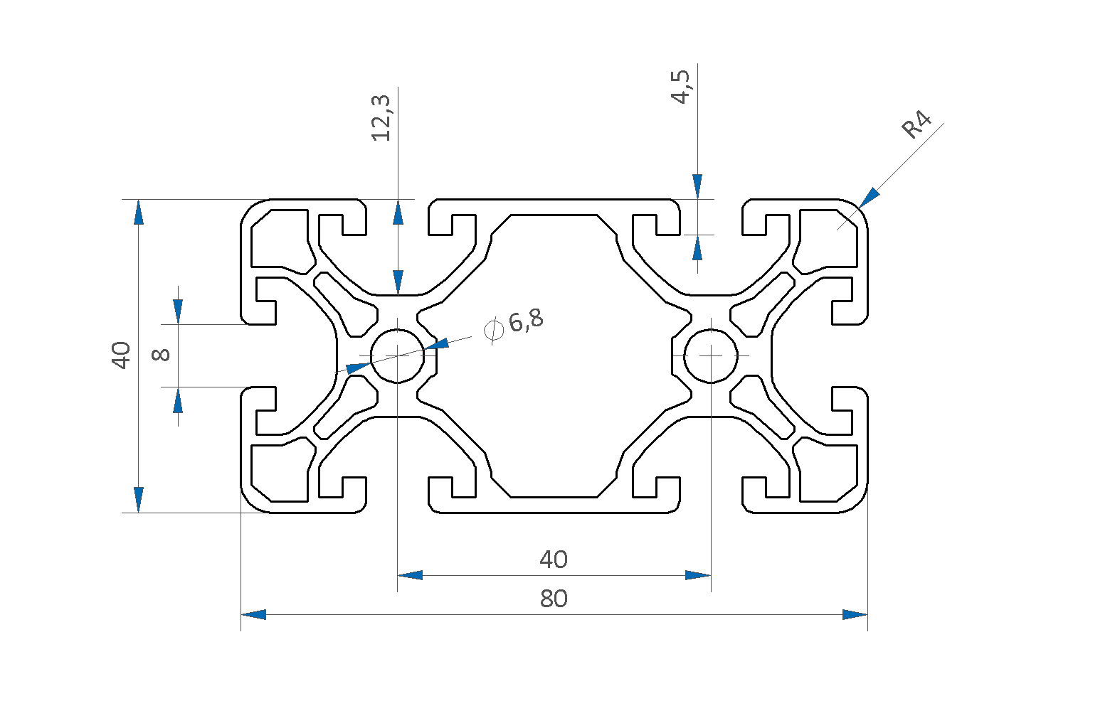
Nutmaß: 8,0 + 0,4 mm
Kernbohrung: 6,8 +/- 0,2 m
Nutzlänge: 6000/6030 -0+10 mm
Gewicht: 2,388 kg
Material: AlMgSi 0,5 F25 natur eloxiert
20,48 €
exkl. Ust
Preis pro Lfm